
T-engine
Automatic Transistor-Level Schematic Generation
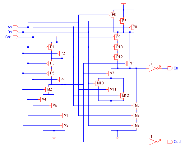
The Nlview® basic engines automatically generate schematics at the gate, register-transfer and block-level. With the T-engine™ option, Concept Engineering provides advanced visualization technology to EDA tool developers who develop tools for the transistor-level (or device-level). When integrated with EDA tools, Concept Engineering's T-engine helps designers of electronic integrated circuits (ICs) and systems on a chip (SoCs) to visualize such critical information as circuit structure, parasitic components, timing data and signal values at the transistor-level, so they can more easily and accurate tune designs for maximum performance. T-engine also makes it easier to understand output results of cell and IP-block characterization tools.
Transistor-Level Algorithms
In response to demand from the electronic design automation (EDA) and the semiconductor industries, Concept Engineering has developed completely new algorithms that generate easy-to-read transistor-level schematics. T-engine recognizes common device-level circuit patterns, and can detect and analyze serial/parallel circuit paths. It also can perform current flow analysis (i.e., power-to-ground flow) and logic flow analysis including both left-to-right flow and reverse-flow detection for feedback. In addition, T-engine uses new place-and-route techniques developed by Concept Engineering. As a result T-engine is able to produce clean transistor-level schematics for complex transistor designs. In addition Concept Engineering's new schematic engine also supports a mix of transistor-level technology with gate-level or block-level technologies in a single schematic diagram.
Widest Platform Availability
T-engine is available for many GUI development platforms including: Qt, PyQt, Java, wxWidgets, Tcl/Tk, Perl/Tk, MFC, JavaScript/WebAssembly (runs inside Web browsers) and as a GUI-less version. For more details, see the main Nlview Widgets page.
At a Glance
Features | Benefits |
---|---|
Simple and robust API | Ensures easy integration and reliable applications |
Production-proven software components | Performance and quality of application is very high |
Highly customizable component | Widget and application fit together |
Qt, Tcl/Tk, Java, JavaScript, WebAssembly, PyQt, Windows, wxWidgets and Perl/Tk | Easily fits into your existing software development flow |
Proprietary algorithms | Result in easy-to-read schematics and short response times |
On-the-fly schematic creation | Results in very high speed and capacity |
Bi-directional communication between widget and application | Allows interaction with the application (e.g. cross-probing, highlighting, attribute display, ballooning) |
Incremental schematic viewing | Allows interactive modification of schematic fragments |
Windows, Linux and UNIX platform support | Application will work on most hardware platforms |
Built-in transistor- and device-level symbols | Application works without symbol libraries |
Symbol translation tools | Provide access to existing symbol libraries |